欢迎来到开云手机站官方端网站登录入口-开云(中国)

您当前所在的位置:主页 > 产品中心 > 起重吊钳系列 >
LIFTING CLAMP SERIES
起重吊钳系列

日式竖吊钳SVC型

日式竖吊钳SVC型

1、特点:优质合金钢。 2、载荷范围:1-5吨。 3、只能同时吊装一块钢板,严禁层叠吊装。 4、所有部件经过锻造和热处理。 5、试验载荷=额定载荷*2。 6、强韧耐久,易操作。 7、节约了

全国咨询热线:

更多联系方式
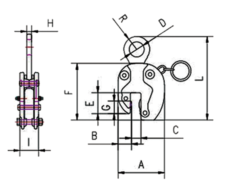
-产品详情- -产品参数-
1、特点:优质合金钢。
2、载荷范围:1-5吨。
3、只能同时吊装一块钢板,严禁层叠吊装。
4、所有部件经过锻造和热处理。
5、试验载荷=额定载荷*2。
6、强韧耐久,易操作。
7、节约了工作成本,减少了工作时间。
8、提高了工作的安全性和工作效率。

产品参数

相关产品

创造客户价值 助力客户成功

开云手机站官方端网站登录入口-开云(中国)凭借着高新的技术、优异的品质及良好的服务赢得了客户点赞,在国内外众多企业大放异彩!

COPYRIGHT© 开云手机站官方端网站登录入口-开云(中国) ALL RIGHTS RESERVED